您当前的位置:成果库 > 一种二维环绕网格片上网络拓扑结构的路由方法
基本信息
- 成果类型 高等院校
- 委托机构 西安电子科技大学
- 成果持有方 西安电子科技大学
- 行业领域 其他电子信息
- 项目名称 一种二维环绕网格片上网络拓扑结构的路由方法
- 知识产权 发明专利
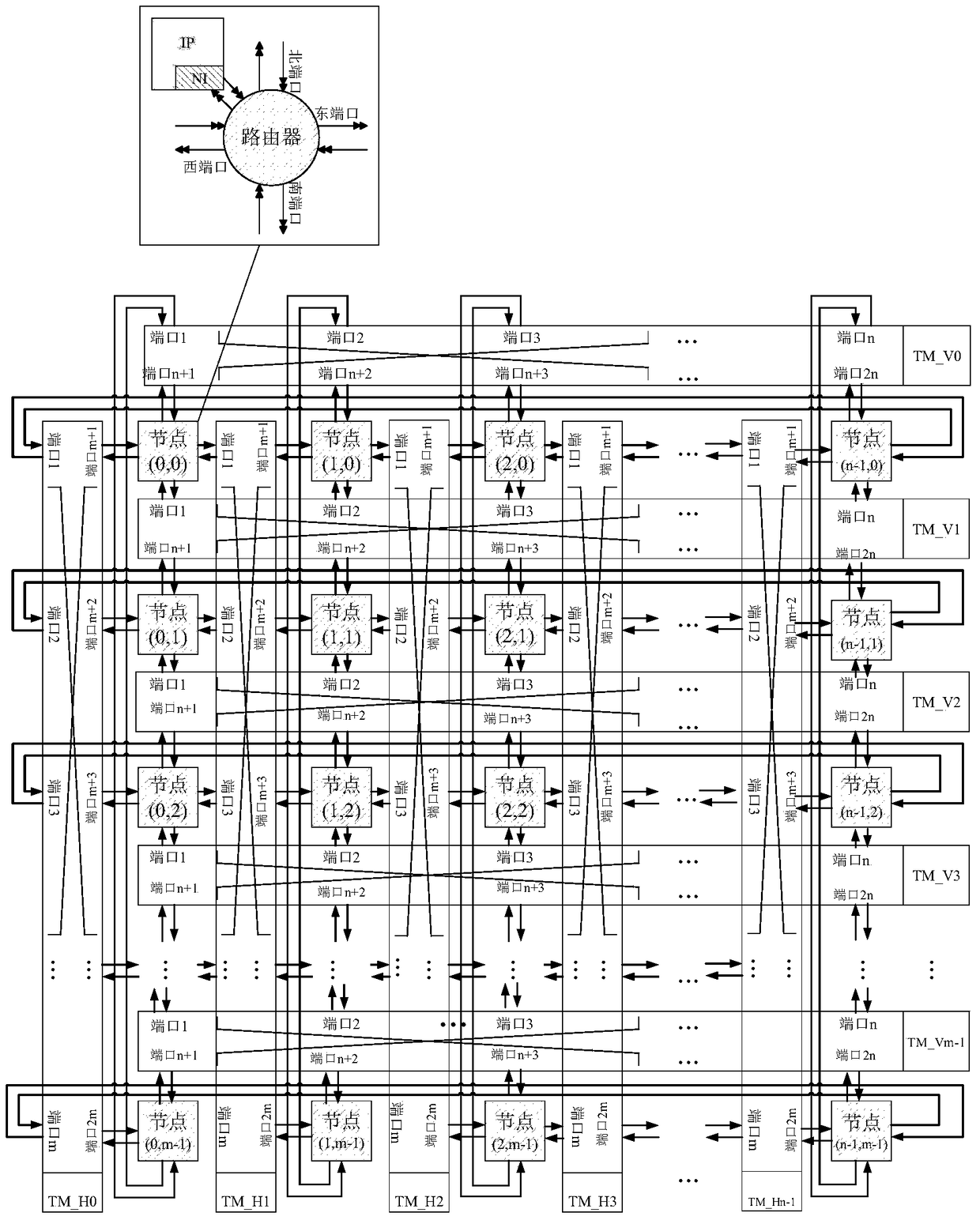
- 项目简介 本发明公开了一种二维环绕网格片上网络拓扑结构的路由方法,用于解决传统二维片上网络路由路径跳步数多,网络延迟大、网络负载不均衡、硬件开销大的问题。其拓扑结构由m×n个路由节点组成m×n矩形网络中除了相邻的每两行和每两列之间各放一个流量控制器外,所有行的首尾和所有列的首尾之间各放一个流量控制器。基于该拓扑结构的路由方法分为性能优先和开销优先两种路由方法,共有12种路由路径模式。本发明的性能优先路由方法使用了6种不同的路由路径模式。本发明的开销优先路由方法使用了2种不同的路由路径模式。该两种路由方法任意路由路径跳步数不超过2。本发明主要具有结构简单对称、网络负载均衡、网络延迟低的优点。
-
交易信息
- 意向交易额 面议
- 挂牌时间 2018/04/17
- 委托机构 西安电子科技大学
- 联系人姓名 王小刚
- 联系人电话 15802954800
- 联系人邮箱 745490733@qq.com
- 分享至:


10283
2018/08/06
咨询成果
发布成果